Digital Service Manuals
Toyota Corolla (2002-2007): Elite Repair Manual & Wiring Diagrams Interactive
Toyota Corolla (2002-2007): Elite Repair Manual & Wiring Diagrams Interactive
Couldn't load pickup availability
Toyota Corolla (2002-2007) Interactive Service Manual: Offline Access + Wiring Diagrams π
Product Overview
Take complete command of yourΒ 2002-2007 Toyota Corolla's maintenance and repairs with this comprehensive interactive online service manual. Whether you're a seasoned professional or a dedicated DIY enthusiast, this digital guide delivers precise, factory-level details to help you confidently diagnose, troubleshoot, and fix any issue your Toyota Corolla might face. Stop guessing and start repairing with professional accuracy! π οΈ
This indispensable Toyota Corolla repair manual offers detailed, step-by-step instructions for a wide range of engines and both automatic and manual transmissions, specifically covering models NZE120, 121 series; ZZE121, 122 series; and CE120 series. It's your ultimate resource for keeping your 2002, 2003, 2004, 2005, 2006 or 2007 Toyota Corolla in peak condition, ultimately saving you valuable time and money. π°
What's Inside? (Comprehensive Coverage) π
Your interactive service manual is packed with an exhaustive array of information, including:
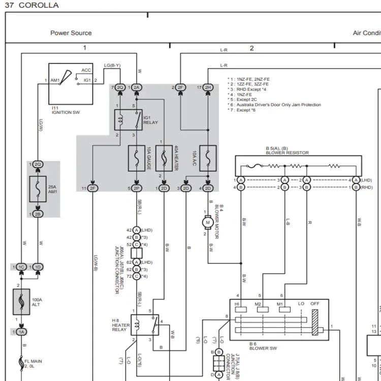
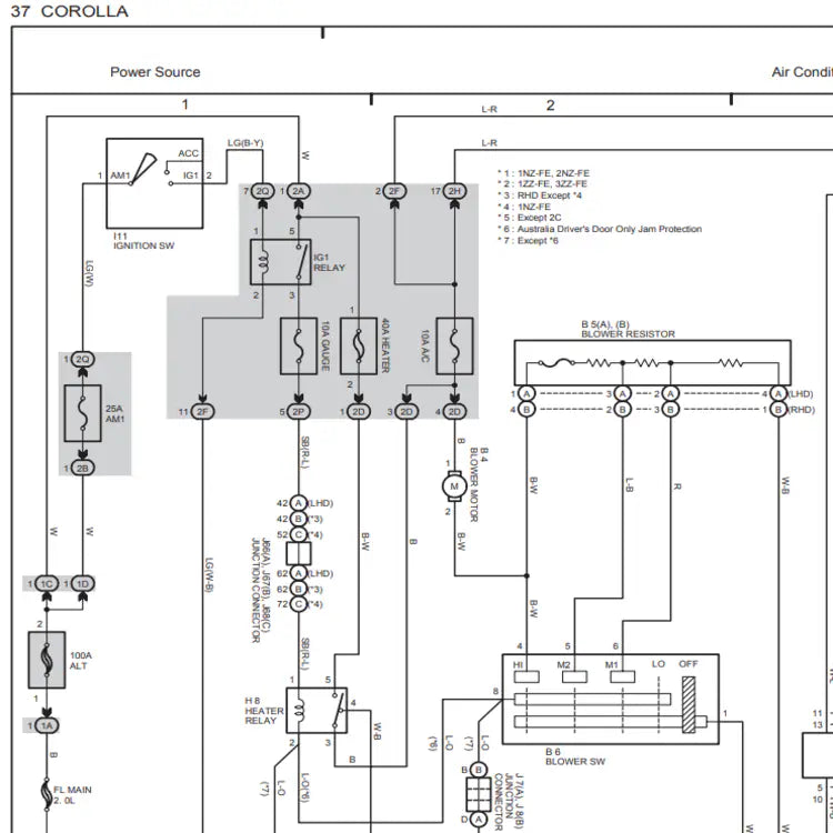
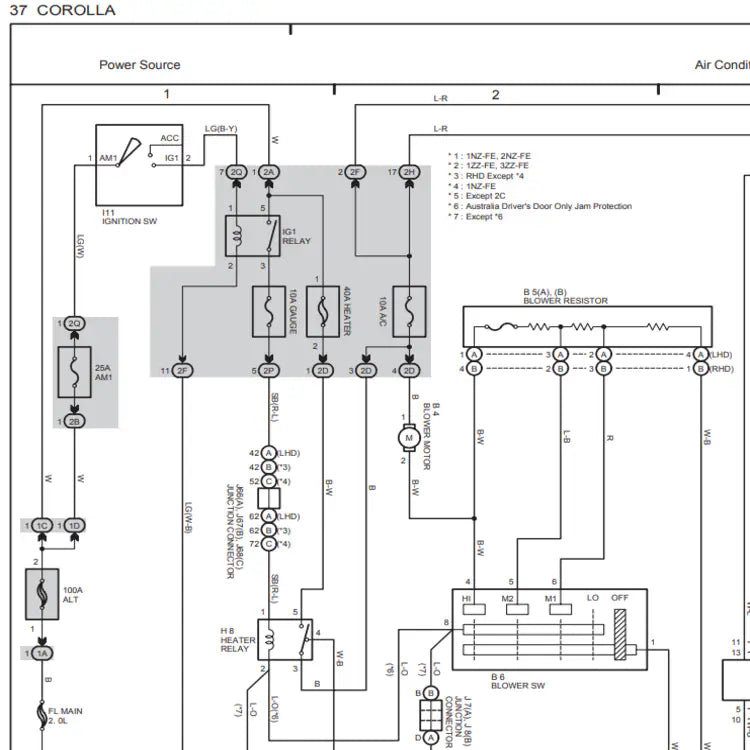
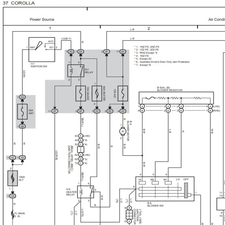
- Complete Electrical Wiring Diagrams: Easily trace circuits and understand your Corolla's intricate electrical system. π‘
- Routine Maintenance & Inspection Procedures: Follow manufacturer-recommended service intervals to maximize your vehicle's lifespan.
- Diagnostic & Troubleshooting Steps: Quickly pinpoint problems and implement effective solutions with clear guidance.
- Torque Specifications & Fastener Data: Ensure every component is reassembled correctly and safely.
-
Engine Overhaul & Repair Instructions:
- 1.8L 1ZZ-FE (Gasoline)
- 1.6L 3ZZ-FE (Gasoline)
- 1.5L 1NZ-FE (Gasoline)
- 1.3L 2NZ-FE (Gasoline)
- 2.0L 2C (Diesel)
-
Transmission Service & Rebuild Guides:
- Manual: M/T Repair Manual [C51, C52]; M/T Repair Manual [C150]; M/T Repair Manual [E351]
- Automatic: A/T Repair Manual [U340E]; A/T Repair Manual [U441E]; A/T Repair Manual [A245E, A246E]
- And a vast collection of other essential technical details, all intuitively organized for quick access.
Features & Advantages β¨
- Interactive Web Format: This is not a PDF! Access the manual directly through your preferred web browser (Internet Explorer, Edge, Chrome, or Firefox) for a dynamic and user-friendly experience with clickable navigation. π₯οΈ
- Instant Email Delivery: Receive your exclusive access link immediately after completing your purchase. π§
- Multi-Device Compatibility: Seamlessly view and use on your desktop, laptop, tablet, or even your smartphone, providing flexibility wherever you work.
- English Language: All instructions are clear, concise, and easy to follow.
π₯ See It in Action! Curious about how our interactive manuals work? Watch a quick demo on our YouTube channel to see the ease of navigation and depth of information.Β
- Method 1: Toyota Interactive Workshop Manual Display Example
- Method 2: Toyota Interactive Workshop Manual Display Example
Why You Need This Digital Manual β
- Significant Cost Savings: Drastically reduce repair and maintenance expenses by performing tasks yourself, avoiding hefty shop fees.
- Factory-Level Information: Gain access to the exact same detailed specifications and repair methods used by certified Toyota technicians.
- Convenient On-Demand Expertise: Have comprehensive repair information available at your fingertips, whenever and wherever you need it, without bulky physical books.
- Empower Your DIY Projects: Boost your confidence and knowledge, allowing you to tackle any repair challenge with precision.
Ready to Master Your Toyota Corolla's Service?
πΒ Click "Add to Cart" and Get Instant Access to Your Toyota Corolla (2002-2007) Interactive Service Manual! π
Secure Payment & Customer Assurance π
Your online transaction is fully encrypted and secure. We accept:
- PayPal
- All Major Credit Cards
While instant delivery is standard, if you have any questions or require assistance with accessing or using your manual, our support team is available to help! Simply reply to your purchase confirmation email for prompt assistance.
