Digital Service Manuals
Toyota 4Runner (2010-2013) Factory Service Manual and Wiring Diagrams
Toyota 4Runner (2010-2013) Factory Service Manual and Wiring Diagrams
Couldn't load pickup availability
Toyota 4Runner (2010-2013) Factory Service Manual: Instant Browser Access + Wiring Diagrams šØš§
Product Details
Take control of your 2010-2013 Toyota 4Runner's maintenance and repair with this comprehensive interactive factory service manual. Whether you're a professional technician or a dedicated DIYer, this digital product delivers the exact information you need to confidently diagnose and fix any issue your 4Runner might encounter. Skip expensive garage visits and empower yourself with expert knowledge! š°
This essential Toyota 4Runner workshop manual provides detailed, step-by-step procedures to ensure your vehicle runs smoothly and reliably. It's the ultimate resource for keeping your 2010, 2011, 2012, or 2013 4Runner in peak condition.
What You'll Find Inside (Key Chapters) āļø
Your interactive service guide is packed with invaluable information, including:
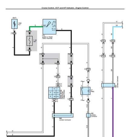
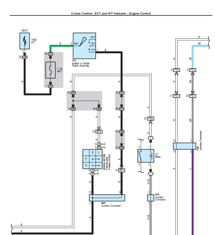
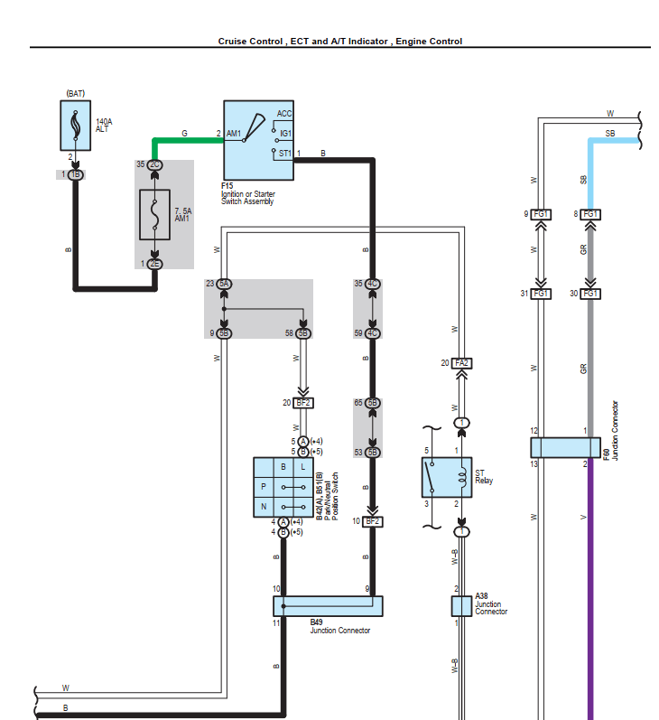
- Complete Electrical Wiring Diagrams: Decipher your 4Runner's complex electrical system with clear, precise schematics. ā”
- Routine Maintenance & Inspection Procedures: Follow factory-recommended service intervals to prolong your vehicle's life.
- Troubleshooting Guides & Repair Solutions: Easily pinpoint problems and implement effective fixes.
- Torque Specifications & Fastener Values: Ensure every bolt is tightened to factory specifications for safety and performance.
-
Engine Overhaul & Service Details:
- 4.0L (1GR-FE) Engine
-
Automatic Transmission Service & Repair:
- A750E Transmission
- A750F Transmission
- And much more, all easily searchable and navigated!
Advantages & Unique Features š
- Interactive Web-Based Format: Not a PDF! Access the manual directly through your preferred web browser (Internet Explorer, Edge, Chrome, or Firefox) for a seamless, interactive experience. š„ļø
- Immediate Digital Delivery: Your access link will be sent straight to your email, allowing for instant use. š§
- Device Friendly: Compatible with desktop computers, laptops, and mobile devices, providing flexibility wherever you work.
- English Language Content: Clear and precise instructions written for optimal understanding.
Why This Manual is a Must-Have š
- Substantial Cost Savings: Perform common repairs and maintenance tasks yourself, avoiding hefty labor charges.
- Professional Accuracy: Gain access to the same detailed technical specifications and repair methods used by Toyota technicians.
- On-Demand Expertise: Have comprehensive repair information available at your fingertips, whenever and wherever you need it.
- Boost Your Vehicle Knowledge: Develop a deeper understanding of your 4Runner's inner workings.
⨠Discover the Magic!
Want to know more about its interactivity? Check out our YouTube channel, where we'll reveal two ways to browse this extensive workshop manual. We'll highlight its interactive capabilities and how simple it is to use. Unlock a new level of repair efficiency! š§
- Method 1: Toyota Interactive Workshop Manual Display Example
- Method 2: Toyota Interactive Workshop Manual Display Example
Ready to Master Your 4Runner's Maintenance?
š Click "Purchase Now" to Get Instant Access to Your Toyota 4Runner Factory Service Manual! š
Secure Transactions & Support š
Your online safety is paramount. All purchases are processed through secure channels. We accept:
- PayPal
- All Major Credit Cards
While this digital product is delivered instantly, if you have any questions about accessing or using your manual, our support team is available to assist you. Simply reply to your purchase confirmation email.
