Digital Service Manuals
Toyota 4Runner (2006-2009) Maintenance Manual and Wiring Diagrams
Toyota 4Runner (2006-2009) Maintenance Manual and Wiring Diagrams
Couldn't load pickup availability
Toyota 4Runner (2006-2009) Interactive Workshop Manual: Instant Access + Wiring Diagrams π
Product Overview
Unlock the full potential of your 2006-2009 Toyota 4Runner with this ultimate digital maintenance manual. Designed for both seasoned mechanics and everyday owners, this interactive guide provides everything you need to confidently diagnose, repair, and service your vehicle. Stop guessing and start fixing with professional-grade insights at your fingertips! π οΈ
This comprehensive Toyota 4Runner repair guide is meticulously detailed, helping you tackle everything from routine servicing to complex engine issues. Itβs your go-to resource for maintaining optimal performance and extending the life of your 4Runner.
What's Included? (Key Sections) π
Your interactive manual features a wealth of essential information, covering:
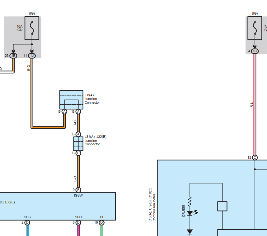
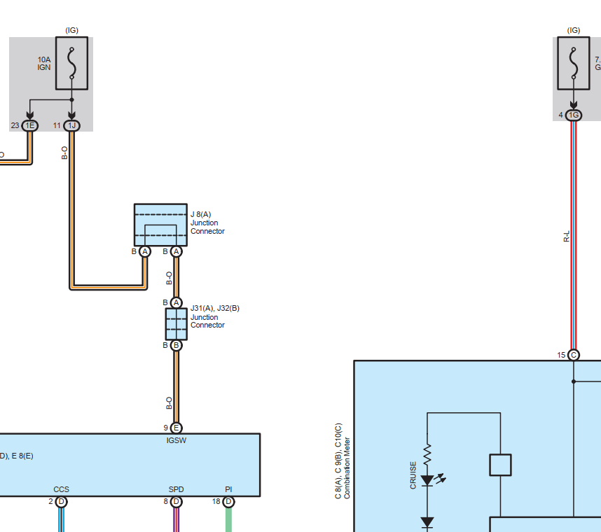
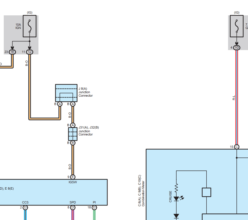
- Complete Electrical Wiring Diagrams: Navigate intricate electrical systems with ease. π‘
- Preventative Maintenance Procedures: Keep your 4Runner running smoothly with detailed service schedules.
- Diagnostic Trouble Codes (DTC) & Solutions: Quickly identify and resolve vehicle malfunctions.
- Torque Specifications & Fastener Data: Ensure precise and secure assembly for every component.
-
Engine Service & Rebuild Guidelines:
- 4.0L (1GR-FE) Engine
- 4.7L (2UZ-FE) Engine
-
Automatic Transmission Overhaul & Repair:
- A750E Transmission
- A750F Transmission
- And much more, accessible through an intuitive interface!
Unmatched Features & Benefits π»
- Interactive Web Format: No PDFs! Access directly via your web browser (Internet Explorer, Edge, Chrome, Firefox) for dynamic navigation. π
- Immediate Email Delivery: Receive your access link instantly after purchase. π§
- Cross-Device Compatibility: Easily view and use on your desktop, laptop, or mobile device.
- English Language Content: Clear, concise, and easy-to-understand instructions throughout.
Why This Manual is Essential for Your 4Runner β
- Significant Cost Savings: Drastically reduce expenses by performing your own repairs and maintenance.
- Expert Technical Information: Access the same detailed specs and procedures used by certified technicians.
- Unrivaled Convenience: Consult your manual anytime, anywhere, without needing a physical copy.
- Empower Your DIY Projects: Gain the confidence and knowledge to tackle any repair task.
π Watch It in Action!
Intrigued by the interactive experience? Head over to our YouTube channel! We'll show you two distinct methods to explore this detailed workshop manual, emphasizing its interactive features and user-friendliness. See how this digital tool can revolutionize your repairs! π
- Method 1: Toyota Interactive Workshop Manual Display Example
- Method 2: Toyota Interactive Workshop Manual Display Example
Ready to Transform Your Vehicle Maintenance?
π Click "Buy Now" for Immediate Access to Your Toyota 4Runner Maintenance Guide! π
Secure & Flexible Payment Options π‘οΈ
Shop with peace of mind! Your transaction is fully encrypted and secure. We accept:
- PayPal
- All Major Credit Cards
Satisfaction & Dedicated Support β
Your satisfaction is our priority. While this digital product is delivered instantly, if you have any questions or need assistance accessing your manual, our support team is ready to help! Simply reach out via email after your purchase.
