Digital Service Manuals
Toyota 4Runner (2003-2005) Service Guide and Wiring Diagrams PDF
Toyota 4Runner (2003-2005) Service Guide and Wiring Diagrams PDF
Couldn't load pickup availability
Toyota 4Runner (2003-2005) Service Manual PDF: Instant Download + Wiring Diagrams š ļø
Product Description
Get your hands on the definitive Toyota 4Runner (2003-2005) Service Guide, an indispensable resource for mechanics, DIY enthusiasts, and owners alike. This comprehensive digital manual provides the detailed information you need to diagnose, repair, and maintain your 4Runner with confidence. Say goodbye to guesswork and expensive shop fees! šø
This PDF manual covers everything from routine maintenance to complex electrical systems, helping you solve common mechanical issues and ensure your vehicle runs smoothly. It's the ultimate guide for anyone seeking professional-level repair information for their 2003, 2004, or 2005 Toyota 4Runner.
What's Inside? (Table of Contents Highlights) š
This Toyota 4Runner Repair Manual is packed with essential information, including:
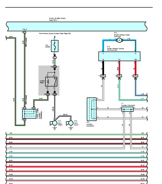
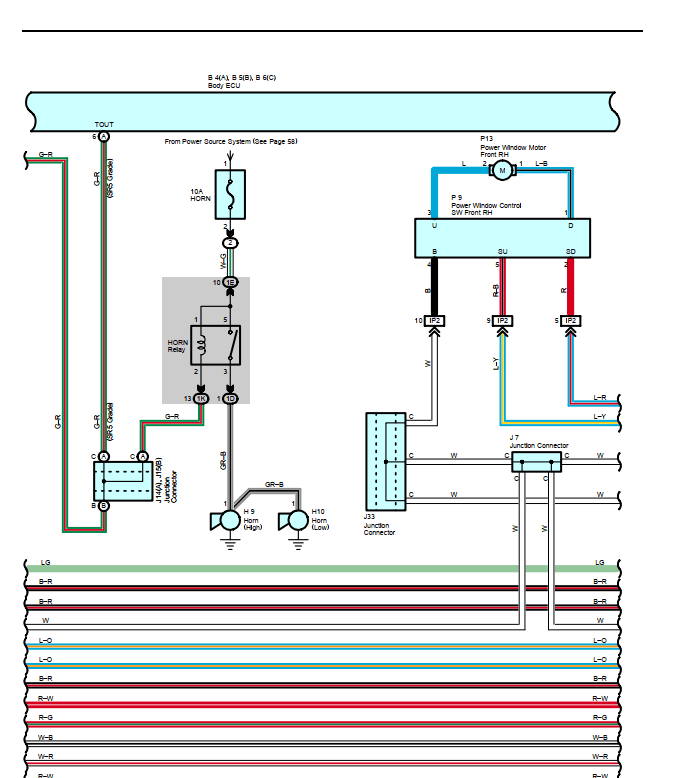
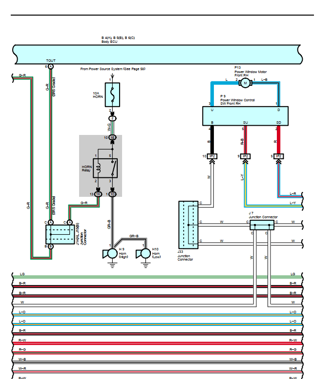
- Complete Electrical Wiring Diagrams: Understand your vehicle's intricate electrical system. ā”
- Detailed Maintenance Procedures: Keep your 4Runner in top condition with step-by-step guides.
- Troubleshooting & Diagnostics: Identify and fix problems quickly and efficiently.
- Torque Specifications & Technical Data: Ensure precise and accurate repairs.
-
Engine Overhaul Procedures:
- 4.0L - (1GR-FE) Engine
- 4.7L - (2UZ-FE) Engine
-
Automatic Transmission Service & Repair:
- A340E Transmission
- A340F Transmission
- And much more!
Features & Benefits āØ
- Instant PDF Download: No waiting! Get immediate access to your guide after purchase. š
- Universal Compatibility: View on your PC, Mac, tablet, or smartphone.
- High-Quality, English Language: Clear and concise instructions for easy understanding.
- Eco-Friendly: A digital product means no shipping costs or environmental impact. š³
Why Choose This Digital Service Guide? ā
- Save Money on Repairs: Perform many repairs yourself and avoid costly mechanic bills.
- Professional-Grade Information: Access the same technical data used by dealerships.
- Convenient & Accessible: Have expert knowledge at your fingertips, anytime, anywhere.
- Boost Your Knowledge: Gain a deeper understanding of your Toyota 4Runner.
Ready to Empower Your Repairs?
š Click "Add to Cart" and Download Your Toyota 4Runner Service Manual Now! š
Secure & Easy Payment Options š
Your purchase is 100% secure. We accept:
- PayPal
- Major Credit Cards (Visa, Mastercard, American Express, Discover)
Satisfaction Guarantee & Support š
We're confident this manual will be an invaluable tool for you. If you have any questions before or after your purchase, our friendly support team is here to help! Simply reply to your confirmation email for assistance.
