Digital Service Manuals
Audi A8-S8 (2003-2010) Factory Repair Data & Wiring Schematics
Audi A8-S8 (2003-2010) Factory Repair Data & Wiring Schematics
Couldn't load pickup availability
Audi A8 & S8 (2003-2010) Official Factory Service Manual PDF: Instant Download & Printable π
Β
Product Overview
Take definitive command of yourΒ 2003-2010 Audi A8 or S8's maintenance and repairs with this comprehensive official factory service manual. Whether you're a seasoned professional or a dedicated DIY enthusiast, this PDF guide delivers precise, factory-level details to help you confidently diagnose, troubleshoot, and fix any issue your Audi might face. Stop guessing and start repairing with professional accuracy! π οΈ
This indispensable Audi A8 and S8 repair manual offers detailed, step-by-step instructions for a vast array of gasoline and TDI engines, along with comprehensive guidance for both automatic and Multitronic transmissions. It's your ultimate resource for keeping your 2003-2010 Audi A8 or S8 in peak condition, ultimately saving you valuable time and money. π°
What's Inside? (Comprehensive Coverage) π
Your digital factory service manual is packed with an exhaustive array of information, including:
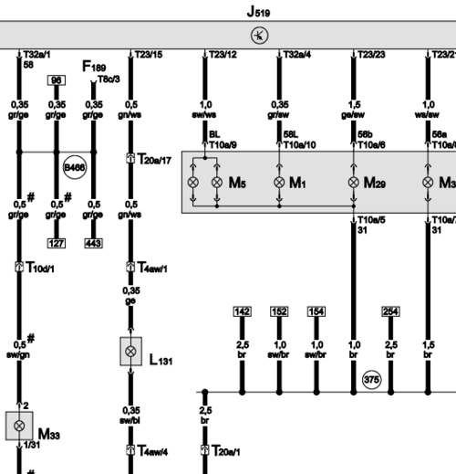
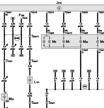
- Complete Electrical Wiring Diagrams: Easily trace circuits and understand your Audi's intricate electrical system. π‘
- Routine Maintenance & Inspection Procedures: Follow manufacturer-recommended service intervals to maximize your vehicle's lifespan.
- Diagnostic & Troubleshooting Steps: Quickly pinpoint problems and implement effective solutions with clear guidance.
- Torque Specifications & Fastener Data: Ensure every component is reassembled correctly and safely.
-
Engine Overhaul & Repair Instructions:
- 2.8L 6-Cylinder Direct Injection Engine
- 3.2L 6-Cylinder Direct Injection Engine
- 3.0L 6-Cylinder TDI (4-Valve Common Rail)
- 4.2L 8-Cylinder Direct Injection Engine
- 3.7L 8-Cylinder (5-Valve)
- 4.2L 8-Cylinder (5-Valve)
- 4.0L 8-Cylinder TDI (4-Valve Common Rail)
- 4.2L 8-Cylinder TDI (4-Valve Common Rail)
- 5.2L 10-Cylinder Direct Injection Engine
- 6.0L 12-Cylinder (4-Valve)
-
Transmission Service & Rebuild Guides:
- Automatic Transmissions
- Multitronic Transmissions
- And a vast collection of other essential technical details, all intuitively organized for quick access.
Features & Advantages β¨
- Printable PDF Format: Easily viewable on any device with a PDF reader. You can print the entire manual or just specific sections you need for your workbench! π
- Instant Email Delivery: Receive your download link immediately after completing your purchase. π§
- System Requirements: Compatible with Windows XP, Vista, 7, 8, and 10. Requires a standard PDF reader.
- English Language: All instructions are clear, concise, and easy to follow.
Why You Need This Digital Manual β
- Significant Cost Savings: Drastically reduce repair and maintenance expenses by performing tasks yourself, avoiding hefty shop fees.
- Factory-Level Information: Gain access to the exact same detailed specifications and repair methods used by certified Audi technicians.
- Convenient On-Demand Expertise: Have comprehensive repair information available at your fingertips, whenever and wherever you need it, without bulky physical books.
- Empower Your DIY Projects: Boost your confidence and knowledge, allowing you to tackle any repair challenge with precision.
Ready to Master Your Audi A8/S8's Service?
πΒ Click "Add to Cart" and Get Instant Access to Your Audi A8 & S8 (2003-2010) Official Factory Service Manual! π
Secure Payment & Customer Assurance π
Your online transaction is fully encrypted and secure. We accept:
- PayPal
- All Major Credit Cards
While instant delivery is standard, if you have any questions or require assistance with accessing or using your manual, our support team is available to help! Simply reply to your purchase confirmation email for prompt assistance.
